ℹ Informationen und Bilder zum Sockel: Loktal, 9pol.
Abmessungen der Fassung:
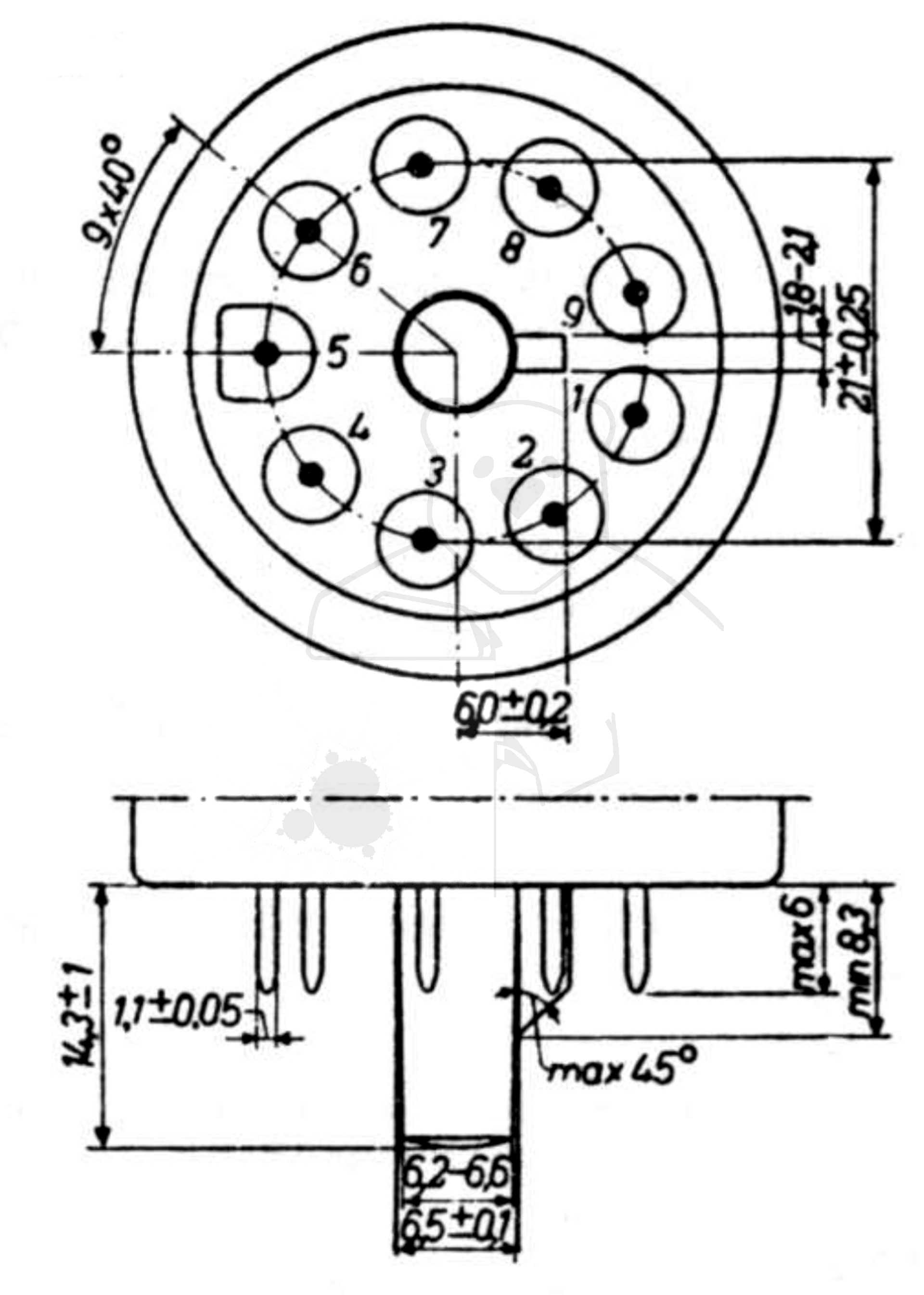
Fassung für Röhren mit: Loktal, 9pol. aus: Das große Röhrenhandbuch, Franzis Verlag, 1995 München
Bilder der Fassung:

Fassung für Röhren mit: Loktal, 9pol.
Bilder einer Röhre mit diesem Sockel:

Röhren mit: Loktal, 9pol.

Röhren mit: Loktal, 9pol.

Röhren mit: Loktal, 9pol.

Röhren mit: Loktal, 9pol.
